
Laboratory for Sediment and Soil Analysis (SEDILAB) HUN-REN Research Centre for Astronomy and Earth Sciences, Geographical Institute
LABORATORY OF LIQUID CHROMATOGRAPHY (LC)
SEDILAB's Liquid Chromatography Laboratory was established as a result of the NPKP project (NPKP_16-1-2016-0003) "Exploring the environmental risks of certain EDC residues in treated and untreated municipal wastewater in the Budapest urban area" (https://geohidrobma.hungarian-geography.hu). These measurements also have a key role in the ongoing KFI projects (2020-1.1.2-PIACI-KFI-2021-00309).
These highlighted the
1. study of the effects of different soil components on the sortion processes of endocrine disruptors, and
2. the characterization of the intrinsic properties of pharmaceutically active compounds that influence their sorption processes in the soil environment.
In collaboration with the Institute of Chemistry of ELTE, the measurement of amino-acids amino-sugars and, PAHs has also become part of the laboratory measurements. Finally, Size Exclusion Chromatography (HPSEC) of water-soluble organic substances (without specific chemical structure) became a part of the measurement portfolio.
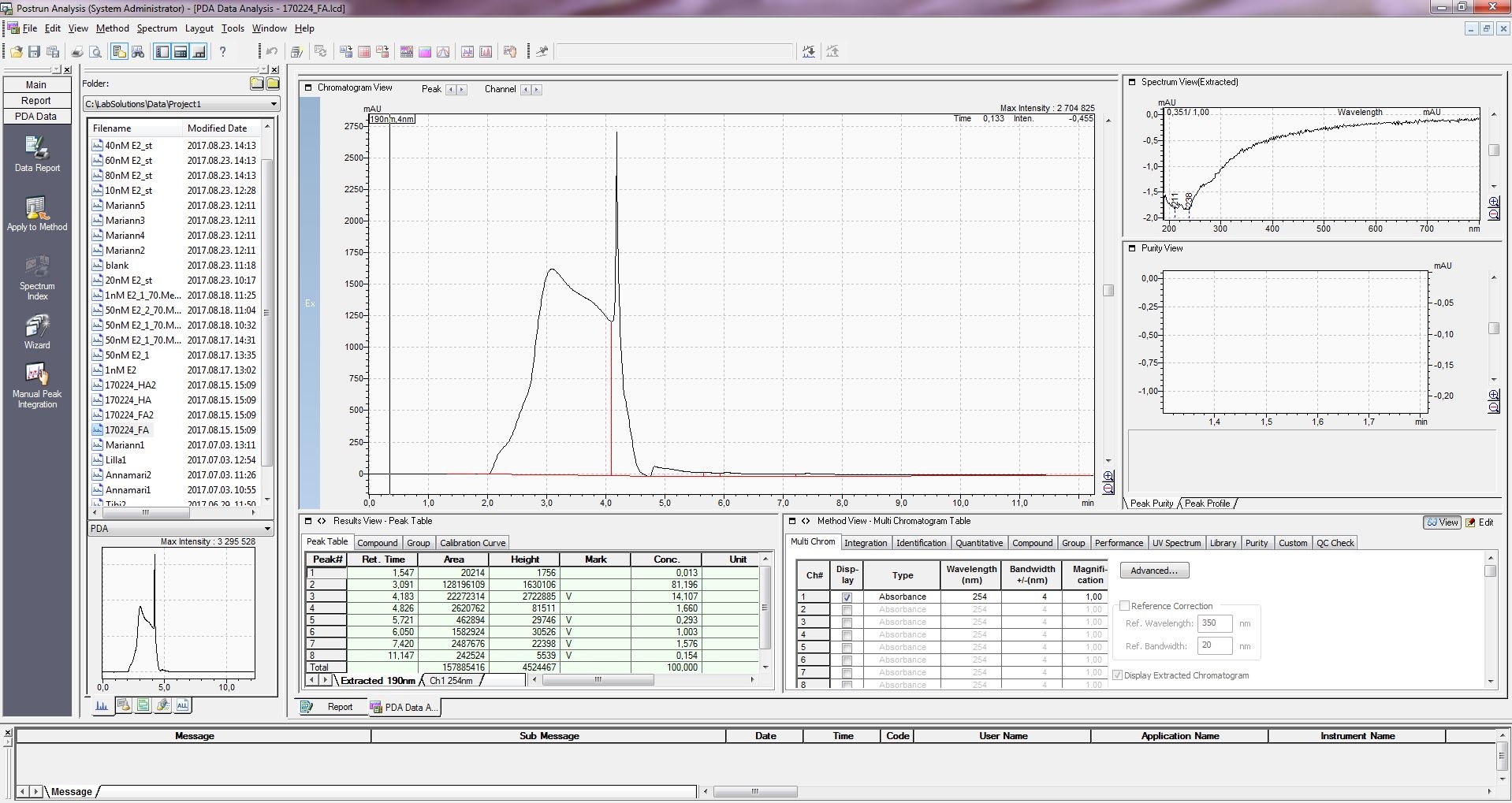
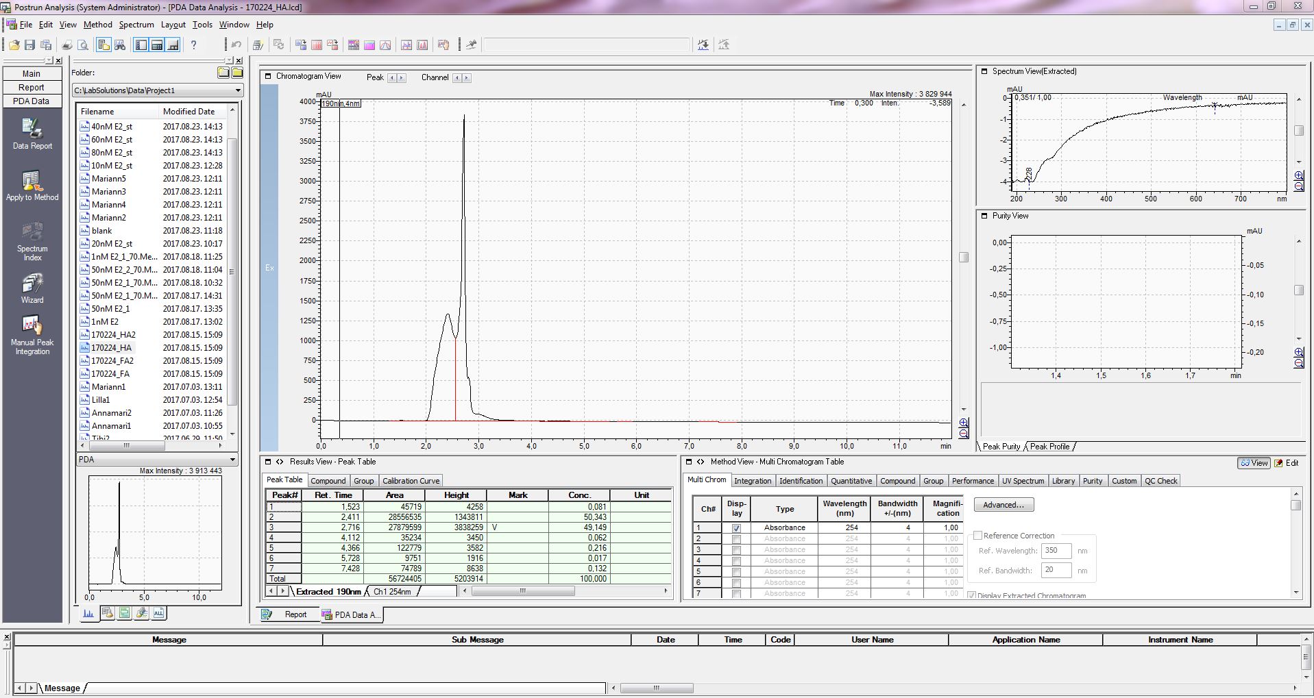
The laboratory has two instruments. The Shimadzu Nexera X2 LC30 UHPLC is mainly used for the analysis of pharmaceutically active compounds, antibiotics and other organic micropollutants, in particular for the characterisation of their intermolecular interactions. A The Shimadzu Prominence LC20 preparative HPLC/HPSEC is mainly used for the analysis of water-soluble soil organic matter (HPSEC) and for testing the efficiency of adsorbents in RDI projects.
Partnerships in the university education
Providing the infrastructure for research in environmental chemistry and environmental geosciences in collaboration with the Doctoral School of Environmental Sciences. Among these, Anna Viktoria Vancsik's doctoral research in the Cooperative Doctoral Research Programme (KDP) and László Bauer's doctoral research in the Doctoral Excellence Fellowship Programme (DKÖP) to be highlighted.
Thesis research and internships of undergraduate students at the Institute of Geography and Earth Sciences and the Institute of Chemistry (ELTE Eötvös Loránd University).
Available devices and their accessories
Shimadzu Nexera X2 LC30 UHPLC
- Fluorescence detector (Shimadzu RF-20A-XS)
- Diode Array Detector (Shimadzu SPD M40)
Shimadzu Nexera Prominence LC20 HPLC/HPSEC
- Refractive Index detector (Shimadzu RID-20A)
- Diode Array Detector (Shimadzu SPD M40)
- Fraction sampler



